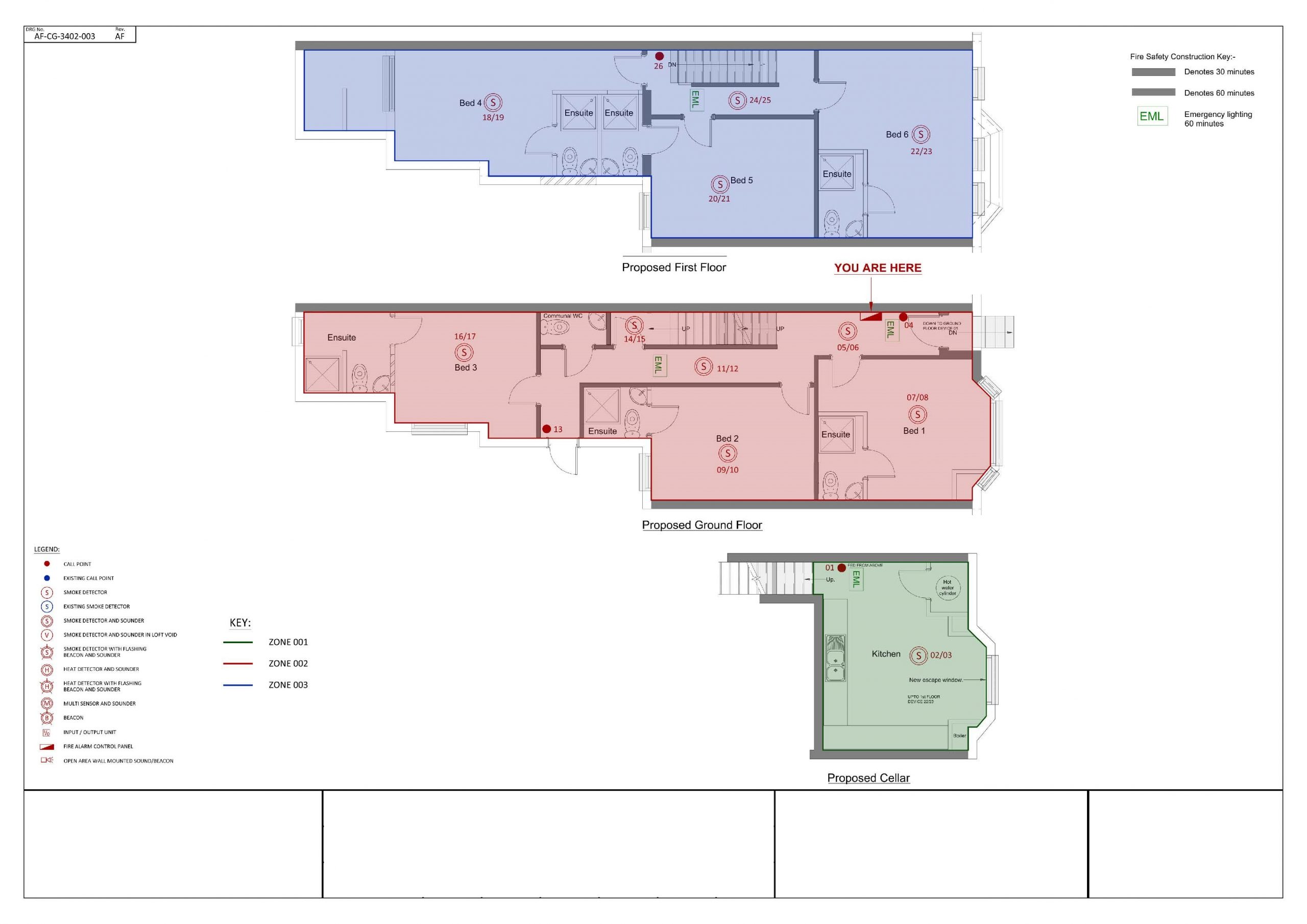
Fire & Security Fire & Security: Production of precise fire and security as-built drawings, ensuring systems are compliant with safety regulations and operate efficiently. Next Project